- Heat recovery (HRV) or humidity and heat recovery (ERV)
- Airflow up to 300 m3/h or 84 l/s. Up to 140 m2 of floor space
- Constant flow technology (Optional Add-On)
- Integrated CO2, VOC, PM, 4 air temperature and humidity sensors
- Installation: Wall or floor mounted
- Color: black, white
Popular choice
Airobot V3 ERV
Heat and humidity recovery model (ERV)
Airobot V3
Heat recovery model (HRV)
Airflow and heat exchanger
Popular choice
Airobot V3 ERV
Heat and humidity recovery model (ERV)
- Maximum airflow @100 Pa: 300 m3/h
- Maximum airflow @200 Pa: 300 m3/h
- Counter flow plate heat exchanger with heat- and humidity recovery
- Heat recovery efficiency ERV 77.4% (70% airflow, EN13141-7)
- Humidity recovery efficiency ERV 66% (70% airflow, EN13141-7)
Airobot V3
Heat recovery model (HRV)
- Maximum airflow @100 Pa: 300 m3/h
- Maximum airflow @200 Pa: 300 m3/h
- Counterflow plate heat exchanger with heat recovery.
- Heat recovery efficiency HRV: 88.4% (70% airflow, EN13141-7)
Technical
- Filters: Exhaust: ePM10 55% (M5), outdoor air: ePM1 55% (F7)
- Material: Expanded Polypropylene (EPP)
- Housing: Sheet metal, powder-coated white or black
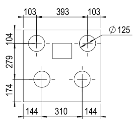
- Ducting: 125 mm
- Condensate drain: HRV: 32 mm, water trap included. ERV: not equipped and required under normal conditions
- Power supply: 1~230 VAC, EU plug, maximum power 2.1 kW (10A circuit breaker)
- Fan power 2 x 83 W
- Pre-heater: Integrated, 0-100% controllable PTC heater, nominal power of pre-heater (varies depending on external temperature) kW: 1.35 kW
- Ventilated air -20 °C to +50 °C, maximum extract relative humidity 80%
- Ambient temperature +5 °C to +40 °C (HRV), -20 °C to +40 °C (ERV)
- Dimensions: 554 x 600 x 690 mm
- Weight: 50 kg
- Compliance: EN 60335-1, EN 61000-6-3, EN 61000-6-1, Ecodesign Directive 2009/125/EC
- Warranty 2-year standard, 2 additional years under special conditions
Fans
-
High-efficiency EC Fans
-
Constant flow technology by measuring fan pressure to maintain balanced airflow in all conditions automatically
- Speed continuously adjustable 0-100% in automatic mode, incrementally adjustable 0-10 in manual mode
Features
- Integrated sensors: CO2, VOC, 4 air temperature and humidity sensors
- Occupancy sensing and energy-saving mode – Airobot senses room occupancy by combining data from several sensors. It activates energy-saving mode automatically when necessary.
- Integrated frost protection (preheater), nominal power 1.35 kW, PTC 0-100% control
- Humidity detection – whenever the unit senses a sudden increase in humidity, it switches to a higher speed
- Automatic summer bypass (partial)
- Autonomous control – smart motor control ensures pleasant indoor air and maximum energy efficiency
- Overpressure mode – temporarily switches the unit to pressurize indoor air; can be automated with a pressure sensor to react to a stove hood, for example
- Boost mode – temporarily switches the unit to maximum speed to quickly ventilate the space
Control
-
iOS and Android mobile applications – access all features and settings, no wall-mounted remote needed (requires network connection)
-
Wall-mounted remote VE1: optional
-
Home automation: Modbus RTU and Modbus TCP (LAN only)
- Connectivity: LAN and Wi-Fi (2.4 GHz)
Dimensions


Ducts
Type R

Type L

Ducts explanation
SUP – Supply air to the room
ETA – Extract air from the room
ODA – Outside air
EHA – Exhaust air to outside
Files and manuals
Energy labels
Airobot V3

Airobot V3 ERV

Add ons
Add ons for Airobot Ventilation device
